Cardan Toma Fuerza Embrague 4 Discos 1400 mm
Cardan Toma Fuerza Embrague 4 Discos fabricado con los más altos estándares de calidad para soportar la carga de esfuerzo de los vehículos agrícolas más potentes y en las condiciones más duras.
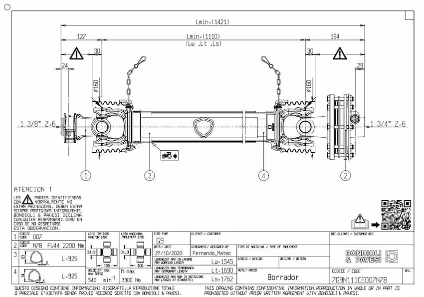
Transmisión con Embrague 4 Discos 1400mm
Características técnicas: Cardan Toma Fuerza Embrague 4 Discos
- Marca: BONDIOLI
- Medida cruceta: 35×106,5
- Potencia máx.1000 rpm Hasta 166 CV
- Estriado horquilla: 1-3/8 Z6
- Órgano de seguridad: Embrague 4 Discos
- Estriado órgano de seguridad: 1-3/4 Z6
- Tipo tubo: Tres cantos
- Largo transmisión (mm): 1400






